kugelmoped
Navigation überspringen
  • Capri
    • Modelle und Daten
    • Prospekte
    • Werbeanzeigen
    • Presseberichte
    • Bedienungsanleitungen
    • Ersatzteillisten
    • Motorrevision
    • Restaurierung
  • Monaco
  • Diana
  • Vespa
    • Kaufberatung
  • Garage
  • Unterwegs
    • Piaggio Werksmuseum 2004
    • Schweden 2006
    • Ruhrgebiets Rollertreff
  • Blog
  • Start
  • Capri
  • Ersatzteillisten
  • Agrati Super Capri 100 - 150 mit Garelli Motor (EN / IT)

Ersatzteilliste Capri 100 - 125 - 150 Super

  • A - Frame - Center Stand - Rear Suspension Unit
  • B - Front Fork and Suspension
  • C - Front Mudguard and Fairing
  • D - Rear body cover and rear fairings
  • E - Handle bar and Speedometer
  • F - Control cables and wheels
  • G - Front Hub
  • H - Rear Hub
  • I - Dual seat and Accessoires
  • J - Electronical Equipment
  • L - Magneto flywheel
  • M - Air intake and cooling exhaust
  • N - Carburator
  • O - Special Tools for engine dismateling
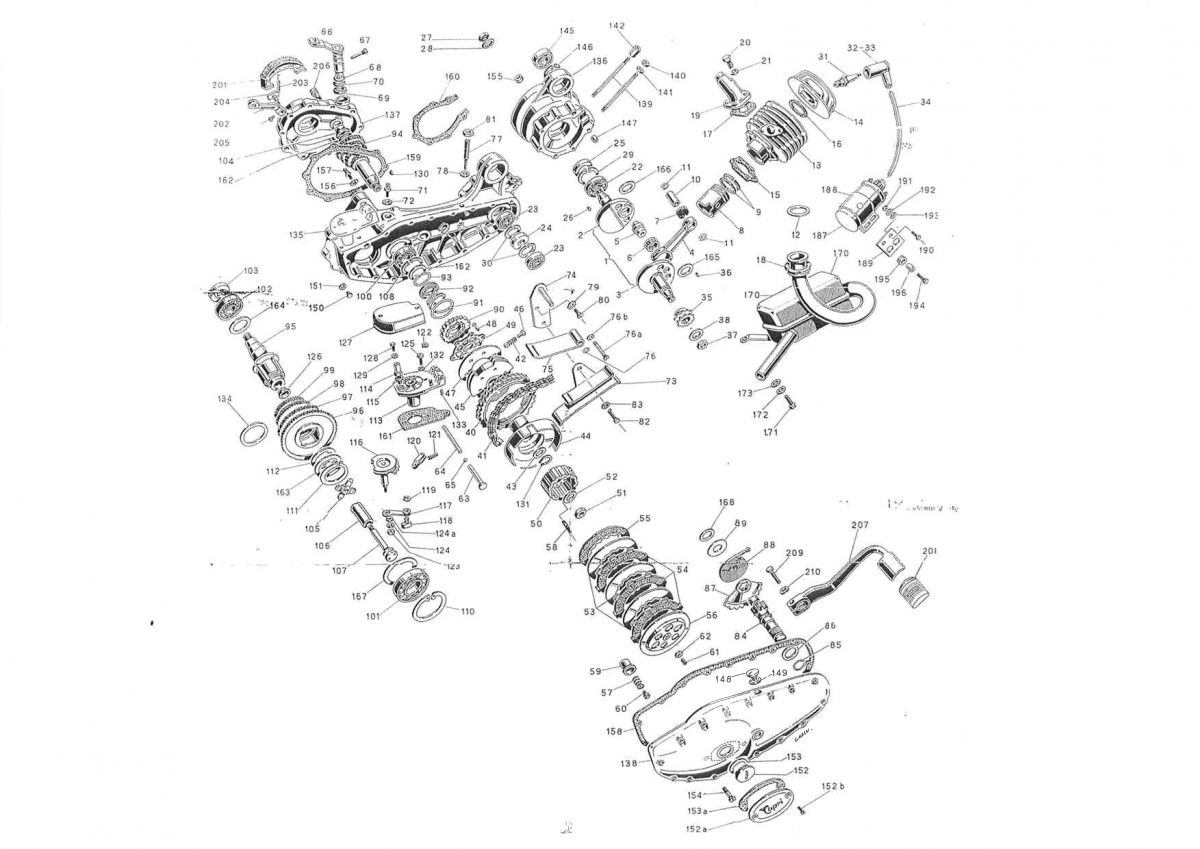
  • P - Engine gear unit

Modelle - Technische Daten

A - Frame - Center Stand - Rear Suspension Unit

B - Front Fork and Suspension

C - Front Mudguard and Fairing

D - Rear body cover and rear fairings

E - Handle bar and Speedometer

F - Control cables and wheels

G - Front Hub

H - Rear Hub

I - Dual seat and Accessoires

J - Electronical Equipment

L - Magneto flywheel

M - Air intake and cooling exhaust

N - Carburator

O - Special Tools for engine dismateling

P - Engine gear unit

Navigation überspringen
  • Impressum
Kopfmotiv Schmuckelement Kugelmoped Webseite